Třmen Omega A4

Výr. č. 1124751 | EAN 4012195805298

1124751 / GMS 3 O 4121 A4
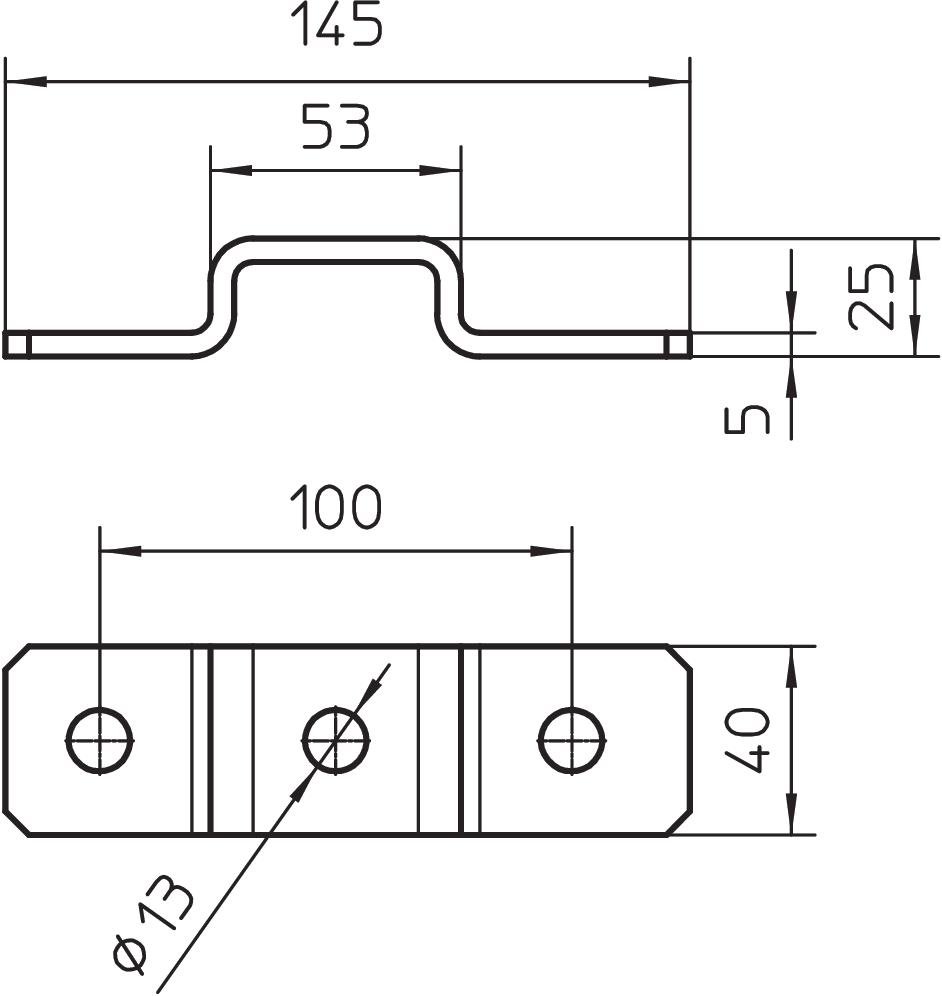
150 mm
40 mm
s průchozími otvory 13 mm
Popis produktu
Popis produktu
Upevňovací příchytka se třemi otvory pro křížové spojení profilových lišt 41 × 21 mm.
  • Communautés Européennes, Vyhlásenie ES o zhode podľa smerníc ES
  • Uhlíková stopa (PCF)
  • Obal bez plastu
  • Celý obal z recyklované lepenky
Technické údaje

CO2 stopa (Product Carbon Footprint)

CO2 stopa (GWP) od kolísky po bránu 1,3333 kg CO2e / 1 Kus
Dĺžka 150 mm
Hrúbka materiálu 4 mm
Materiál Ušľachtilá oceľ, nehrdzavejúca 1.4571
Povrch lesklá, dodatočne upravená
Rozmer 150x24x40x4
Šírka 40 mm
So skrutkami nie
Veľkosť otvoru 13
Vhodné pre tvary profilov Profil C
Vyhotovenie s průchozími otvory 13 mm
Výška 24 mm
Všetky typy

Všetky typy

Typ Dĺžka Šírka Vyhotovenie Výr. č. Množstvo najm. PJ
GMS 3 O 4121 A4 150 mm 40 mm s průchozími otvory 13 mm 1124751
10 Kus
Na stiahnutie

Na stiahnutie

Na stiahnutie

GMS 3 O 4121 A4 / 1124751
Na stiahnutie