Odbočná krabice T100, se zástrčkou Wieland a zásuvkou 1S4+1B4+2B3

Výr. č. 2007874 | EAN 4012195903666

136x102x57 mm
4
IP20
svetlosivá; RAL 7035
Popis produktu
Popis produktu
Odbočná krabice se zástrčkou Wieland 1S4+3B3 k propojení kabelů a vedení v interiéru a chráněném venkovním prostoru. Obdélníkové provedení s otvory k vyražení po stranách a ve dně. Vhodná pro montáž na stěnu či strop a k montáži na montážní plechy. S možností vnitřního upevnění a montáže pomocí rohových nálitků. Víko s rychlouzávěrem, možnost zaplombování. Vyrobena z bezhalogenových materiálů odolných proti ultrafialovému záření.

Odbočná krabice podle EN 60670. Odolnost proti šíření plamene podle EN 60695-2-11, zkušební teplota 650 °C.
Vnitřní rozměry: 136x102x57 mm
  • bez halogénov; bez chlóru, fluóru a brómu
  • odolná proti šíření plamene 650°C
  • Communautés Européennes, Vyhlásenie ES o zhode podľa smerníc ES
  • Prohlášení o shodě UKCA
  • Stupeň krytí IP 20
  • Jmenovité napětí 500 V
  • Inštalácia elektrotechnických expertíz
  • Uhlíková stopa (PCF)
Technické údaje

Technické údaje

Bezhalogénový áno
CO2 stopa (GWP) od kolísky po bránu 0,6862 kg CO2e / 1 Kus
Dĺžka 150 mm
Druh vyhotovenia telesa Vylamovací otvor
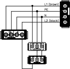
Druh zavedenia Vstupy s odlehčením tahu umožňující přímý průraz, pro kabely o průměru 7–21 mm
Farba svetlosivá; RAL 7035
Forma pravouhlý
Materiál Polypropylén
Menovité izolačné napätie Ui 500 V
Menovité napätie 500 V
Menovitý prierez min. 2,5 mm²
Možnosť montáže vedľa seba áno
Odolne voči poveternostným vplyvom nie
ohňovzdorný podľa VDE 0471/DIN 695 časť 2-1, skúšobná teplota 650°C
Osadenie Ostatné
Počet vstupov káblov 4
pre zónu Ex bez
pre zónu Ex plyn bez
pre zónu Ex prach bez
Priehľadné veko nie
Rozmer 150x116x67
S možnosťou zaplombovania áno
S tienením nie
S vekom áno
Šírka 116 mm
Skúšané pre prostredie s nebezpečenstvom výbuchu nie
Spôsob montáže Nástenná/stropná montáž
Stupeň krytia IP20
Svetlé vnútorné rozmery 136x102x57 mm
Teplotný rozsah použitia max. 60 °C
Teplotný rozsah použitia min. -5 °C
Upevnenie veka priskrutkované
Veko nepriehľadná
Výška 67 mm
Zachovanie funkčnosti bez
Zavedenie zozadu áno
Všetky typy

Všetky typy

Typ Svetlé vnútorné rozmery Počet vstupov káblov Stupeň krytia Farba Výr. č. Množstvo najm. PJ
T100 WS 1S3 3S3A 136x102x57 mm 4 IP20 svetlosivá; RAL 7035 2007870
1 Kus
T100 WS 1S4 2S3C 136x102x57 mm 4 IP20 svetlosivá; RAL 7035 2007874
1 Kus
T100 WS 1S3 2S3D 136x102x57 mm 4 IP20 svetlosivá; RAL 7035 2007876
1 Kus
Na stiahnutie

Na stiahnutie

Na stiahnutie
Na stiahnutie
Na stiahnutie

Na stiahnutie
Vyhlásenie o zhode Spojeného kráľovstva T100 WS 1S4 2S3C / 2007874 , 0.09MB , pdf

T100 WS 1S4 2S3C / 2007874
Na stiahnutie