Ochranná sada MCD + V20 třípólová s dálkovou signalizací

Výr. č. 5089757 | EAN 4012195816614

5089757 / PS3-B+C-320+FS
3
320 V
IP20
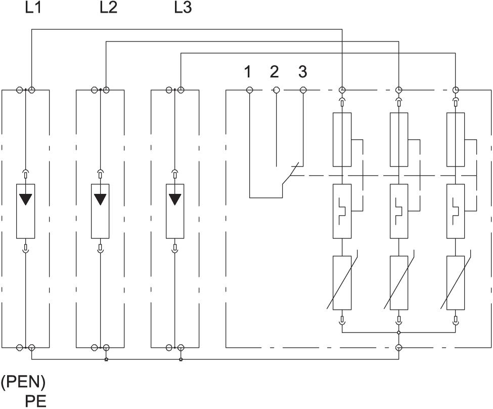
Popis produktu
Popis produktu
Ochranná sada, kombinace svodiče bleskových proudů a přepětí typu 1 + 2

• K vyrovnání potenciálů v ochraně před bleskem podle IEC 62305 (VDE 0185-305)
• Schopnost odvodu bleskových proudů až 50 kA (10/350) na každý pól
• Svodič, násuvný, vč. spojovacích můstků, označené připojovací svorky
• Zapouzdřené nevyfukující svodiče pro použití v rozvaděčových skříních

Použití: Systémy mobilních operátorů a průmyslová zařízení se zvláštními požadavky.
  • Bleskový proud zkoušen
  • 5 rokov záruka
  • Communautés Européennes, Vyhlásenie ES o zhode podľa smerníc ES
  • EurAsian Conformity
  • Systém 230/400 V
  • Kombinovaný ochranný přístroj typu 1 a 2
  • Prechod z LPZ 0 do 2.
  • Dálková signalizace
  • Uhlíková stopa (PCF)
  • Obal bez plastu
  • Celý obal z recyklované lepenky
Technické údaje

Technické údaje

Bleskový prúd (10/350 μs) 50 kA
Čas odozvy <25 ns
CO2 stopa (GWP) od kolísky po bránu 7,9973 kg CO2e / 1 Kus
Diaľková signalizácia áno
LPZ 0→2
Max. nadprúdová ochrana na strane siete 125
Maximálne predistenie 125 A
Maximálny nárazový prúd zvodu (8/20 μs) 100 kA
Menovité napätie AC (50 / 60 Hz) 230 V
Menovitý nárazový prúd zvodu (8/20 µs) 100 kA
Najvyššie trvalé napätie (L-N) 255 V
Najvyššie trvalé napätie (N-PE) 255 V
Najvyššie trvalé napätie AC 320 V
Ochranná úroveň [L-N] ≤1,7
Odolnosť voči skratu 25 kA
Odolnosť voči skratu pri max. nadprúdovej ochrane na strane siete 25 kA
Prevádzková teplota max. 80 °C
Prevádzková teplota min. -40 °C
Prierez vodiča pevný (jednodrôtový/viacdrôtový) max. 50 mm²
Prierez vodiča pevný (jednodrôtový/viacdrôtový) min. 10 mm²
Provedení pólů 3
Rázový prúd atmosférického výboja (10/350) [celkovo] 100 kA
Rázový zvodový prúd (8/20) [celkový] 100 kA
Rozmer 320V
Signalizácie na prístroji optická
SPD podľa IEC 61643-1 class I+II
SPD podľa STN EN 61643-11 Typ 1+2
Stupeň krytia IP20
Teplotný rozsah použitia max. 80 °C
Teplotný rozsah použitia min. -40 °C
Vyhotovenie 3 pólový; 320 V
Všetky typy

Všetky typy

Typ Provedení pólů Najvyššie trvalé napätie AC Stupeň krytia Výr. č. Množstvo najm. PJ
PS3-B+C-320+FS 3 320 V IP20 5089757
1 Kus
Na stiahnutie

Na stiahnutie

Na stiahnutie
Na stiahnutie
Na stiahnutie

Na stiahnutie
Na stiahnutie

PS3-B+C-320+FS / 5089757
Na stiahnutie