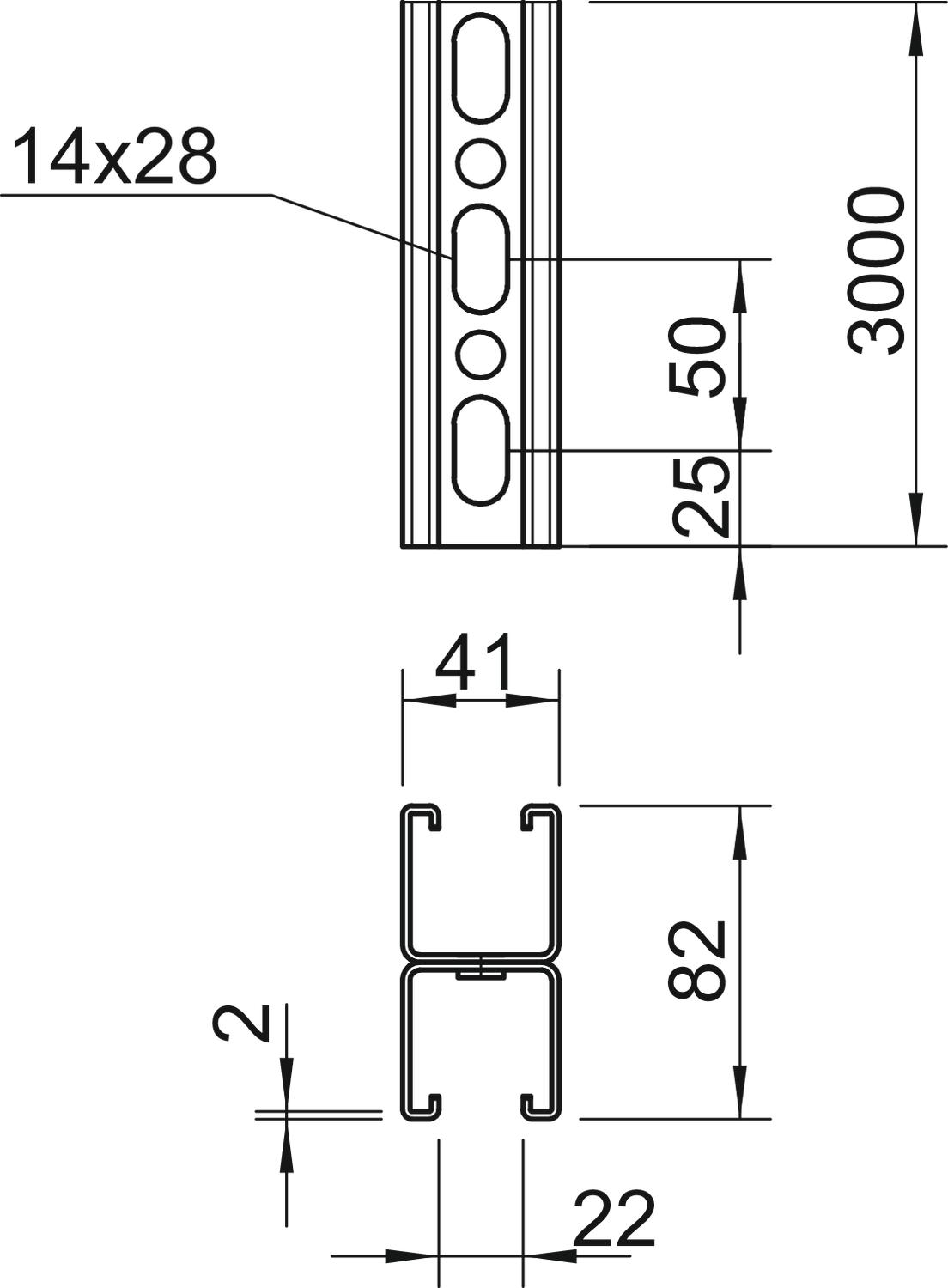
Montážní lišta MS4182, výřez 22 mm, dvojitá, FT, děrovaná

Výr. č. 1122671 | EAN 4012195697985

41 mm
82 mm
2 mm
žiarovo zinkované ponorením
Popis produktu
Popis produktu
Profilová/montážní lišta s průběžným podélným děrováním ve dnu, v těžkém provedení, s šířkou výřezu 22 mm. V dvojitém provedení, tj. na dně jsou vzájemně propojeny dvě profilové lišty (tvářený spoj).
  • Communautés Européennes, Vyhlásenie ES o zhode podľa smerníc ES
  • Třmenová příchytka pro profilovou lištu C, šířka výřezu 18–22 mm
  • Šířka výřezu 22 mm
  • Uhlíková stopa (PCF)
Technické údaje

CO2 stopa (Product Carbon Footprint)

CO2 stopa (GWP) od kolísky po bránu 8,9341 kg CO2e / 1 meter
Dĺžka 3000 mm
Druh dierovania Deliaca stena dierovaná
Hrúbka materiálu 2 mm
Materiál Oceľ
Oddeliteľný nie
Povrch žiarovo zinkované ponorením
Rozmer 3000x41x82
Rozmer L 3000 mm
S ozubením áno
Šírka 41 mm
Šírka výrezu 22 mm
Statická hodnota A 4,9 cm²
Statická hodnota ly 30,69 cm⁴
Statická hodnota lz 15,11 cm⁴
Statická hodnota Wy 2,51 cm³
Statická hodnota Wz 2,69 cm³
Tvar profilu Profil C
Veľkosť otvoru 14x28
Vyhotovenie Dvojitý profil
Výška 82 mm
Zachovanie funkčnosti nie
Všetky typy

Všetky typy

Typ Dĺžka Šírka Výška Hrúbka materiálu Povrch Výr. č. Množstvo najm. PJ
MS4182P3000FT 3000 mm 41 mm 82 mm 2 mm žiarovo zinkované ponorením 1122671
3 m
MS4182P6000FT 6000 mm 41 mm 82 mm 2 mm žiarovo zinkované ponorením 1122673
6 m
Príslušenstvo

Systémové príslušenstvo

Výrobky Typ Výr. č. Množstvo najm. PJ
Kluzná matice ZL Kluzná matice ZL MS41SN M10 ZL 1147214
50 Kus
Šroub s hlavou T ZL Šroub s hlavou T ZL MS41HB M10x30 ZL 1148322
50 Kus
Třmenová příchytka, jednoduchá plastová přítlačná opěrka, FT Třmenová příchytka, jednoduchá plastová přítlačná opěrka, FT 2056U 12 FT 1175122
100 Kus
Třmenová příchytka, jednoduchá plastová přítlačná opěrka, FT Třmenová příchytka, jednoduchá plastová přítlačná opěrka, FT 2056U 22 FT 1175211
100 Kus
Třmenová příchytka, jednoduchá plastová přítlačná opěrka, FT Třmenová příchytka, jednoduchá plastová přítlačná opěrka, FT 2056U 28 FT 1175289
100 Kus
Na stiahnutie

Na stiahnutie

Na stiahnutie

Na stiahnutie
Vyhlásenie o zhode Spojeného kráľovstva MS4182P3000FT / 1122671 , 0.09MB , pdf

MS4182P3000FT / 1122671
Na stiahnutie