Kombinovaný ochranný přístroj TD-4/I pro systémy ISDN a DSL

Výr. č. 5081690 | EAN 4012196034352

5081690 / TD-4/I
4
120 V
170 V
RJ11
Popis produktu
Popis produktu
Přístroj pro ochranu datových vedení telekomunikačních zařízení

• Nízká ochranná úroveň při vysokém proudovém zatížení
• Svorky „Push-In“ zajišťují rychlou instalaci
• Šířka pásma optimalizována pro bezpečný přenos
• Montáž na omítku
• Optická indikace funkčnosti

Použití: Systémy DSL, ISDN nebo analogové telekomunikační systémy
  • 5 rokov záruka
  • Communautés Européennes, Vyhlásenie ES o zhode podľa smerníc ES
  • Stupeň krytí IP 44
  • Přechod z LPZ 0 na 3
  • Integrated Service Digital Network, aplikace ISDN
  • Digital Subscriber Line, aplikace DSL
  • Analogová telekomunikace
  • Inštalácia elektrotechnických expertíz
  • Uhlíková stopa (PCF)
  • Obal bez plastu
  • Celý obal z recyklované lepenky
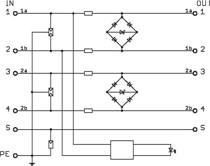
Technické údaje

Technické údaje

Celkový zvodový prúd (10/350) D1: 12,5 kA
Celkový zvodový prúd (8/20) 25 kA
CO2 stopa (GWP) od kolísky po bránu 0,4171 kg CO2e / 1 Kus
Farba biela
Hraničný kmitočet 100 MHz
Impulzný prúd 2,5 kA
Izolačný odpor >1 MΩ
Kapacita (žila-zem) <10 pF
Kapacita (žila-žila) <50 pF
Kategorie Typ 1+2+3/D1+C2+C1
Kontakt diaľkovej signalizácie nie
LPZ 0→3
Materiál Plast
Menovitý zaťažovací prúd AC 0,14 A
Menovitý zaťažovací prúd DC 0,2 A
Monitorovanie zvodiča nie
Najvyššie trvalé napätie AC 120 V
Najvyššie trvalé napätie DC 170 V
Ochranná úroveň tienenia – zem (S-PE) 850 V
Ochranná úroveň žila – zem <650 V
Ochranná úroveň žila – žila <300 V
Odolnosť proti rázovému prúdu žila – zem C2: 18 kV / 9 kA (8/20µs)
Odolnosť proti rázovému prúdu žila – žila C2: 18 kV / 9 kA (8/20µs)
Počet pólov 4
Pripájací prierez flexibilný max. 0,75 mm²
Pripájací prierez flexibilný min. 0,14 mm²
Pripájací prierez viacdrôtový max. 0,75 mm²
Pripájací prierez viacdrôtový min. 0,14 mm²
Pripájací prierez, plný vodič min. 0,14 mm²
Pripájací prierez, plný vodič, max. 0,75 mm²
Pripojenie tienenia áno
Rozmer 170V
Sériový odpor jednotlivých žíl 9 Ω ± 10 %
Signalizácie na prístroji optická
Skúšané pre prostredie s nebezpečenstvom výbuchu nie
Skúšobná norma IEC 61643-21
SPD podľa IEC 61643-21 Trieda I+II+III/D1+C2+C1
Stupeň krytia IP54
Teplotný rozsah použitia max. 80 °C
Teplotný rozsah použitia min. -40 °C
Tienenie nepriamy
Vložené tienenie (Insertion loss) ≤3 dB
Zásuvný systém RJ11
Všetky typy

Všetky typy

Typ Počet pólov Najvyššie trvalé napätie AC Najvyššie trvalé napätie DC Zásuvný systém Výr. č. Množstvo najm. PJ
TD-4/I 4 120 V 170 V RJ11 5081690
1 Kus
Na stiahnutie

List technických údajov TD-4/I / 5081690 , 0.29MB , pdf
Na stiahnutie

Na stiahnutie

EÚ Vyhlásenie o zhode TD-4/I / 5081690 , 0.13MB , pdf
Na stiahnutie

Na stiahnutie
Na stiahnutie

TD-4/I / 5081690
Na stiahnutie