Kabelový žebřík s příčkou Z, standardní FT

Výr. č. 7098133 | EAN 4012196046423

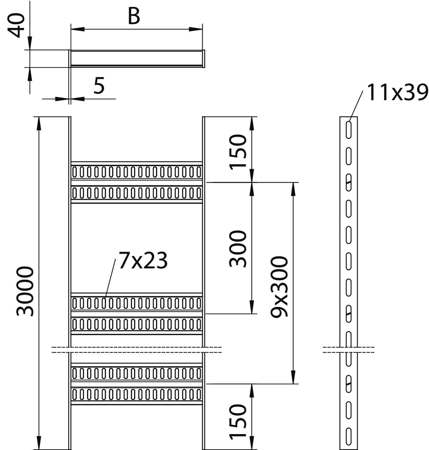
3000 mm
5 mm
nie
Popis produktu
Popis produktu
Lodní kabelový žebřík s děrovanou bočnicí výšky 40 mm s přivařenými děrovanými příčkami tvaru Z. Zatížení ověřeno dle požadavků IEC v kombinaci se spojkou typu SLV.

Kabelový žebřík pro lodní stavitelství včetně tvarových dílů dodáváme na přání také v provedení z ušlechtilé oceli. Možnost práškového nástřiku v barvách RAL.

  • RINA 1861, Klasifikace lodí, certifikace a služby
  • Germanischer Lloyd
  • Communautés Européennes, Vyhlásenie ES o zhode podľa smerníc ES
  • Uhlíková stopa (PCF)
Technické údaje

Technické údaje

Bočné dierovanaie áno
CO2 stopa (GWP) od kolísky po bránu 8,8505 kg CO2e / 1 meter
Dĺžka 3000 mm
Farba pozinkováno
Hrúbka bočnice 5 mm
Materiál Oceľ
Nehrdzavejúca oceľ, morená nie
Odstup priečok 300 mm
Povrch žiarovo zinkované ponorením
Rozmer 40x160x3000
Rozmer 40x150
Rozmer B 160 mm
Šírka 150 mm
Upevnenie priečky zvárané
Vyhotovenie bočnice plochý profil
Vyhotovenie priečok Profil dierovaný
Vyhotovenie s veľkým rozpätím nie
Výška 40 mm
Vzdialenosť podpier 1,5 m 2,8 kN/m
Vzdialenosť podpier 2,0 m 1,75 kN/m
Vzdialenosť podpier 2,5 m 1 kN/m
Vzdialenosť podpier 3,0 m 0,6 kN/m
Zachovanie funkčnosti nie

Technické údaje

Záťažový diagram káblového rebríka typu SLZ

Záťažový diagram káblového rebríka typu SLZ
  • Prípustné zaťaženie káblových žľabov/rebríkov v kN/m bez zaťaženia pracovnou silou Prípustné zaťaženie káblových žľabov/rebríkov v kN/m bez zaťaženia pracovnou silou
  • Vzdialenosť podpier v m Vzdialenosť podpier v m
  • Prehyb priečnika v mm pri prípustnom kN/m Prehyb priečnika v mm pri prípustnom kN/m
  • Krivka zaťaženia so šírkou káblového žľabu/rebríka v mm Krivka zaťaženia so šírkou káblového žľabu/rebríka v mm
  • Krivka prehybu priečnika podľa vzdialenosti podpier Krivka prehybu priečnika podľa vzdialenosti podpier
  • Schéma zaťaženia pri skúšobnej metóde Schéma zaťaženia pri skúšobnej metóde
Všetky typy

Všetky typy

Typ Dĺžka Šírka Hrúbka bočnice Zachovanie funkčnosti Výr. č. Množstvo najm. PJ
SLZ 100 FT 3000 mm 100 mm 5 mm nie 7098132
3 m
SLZ 150 FT 3000 mm 150 mm 5 mm nie 7098133
3 m
SLZ 200 FT 3000 mm 200 mm 5 mm nie 7098134
3 m
SLZ 300 FT 3000 mm 300 mm 5 mm nie 7098136
3 m
SLZ 400 FT 3000 mm 400 mm 5 mm nie 7098138
3 m
SLZ 500 FT 3000 mm 500 mm 5 mm nie 7098140
3 m
SLZ 600 FT 3000 mm 600 mm 5 mm nie 7098142
3 m
Príslušenstvo

Montážne príslušenstvo

Výrobky Typ Výr. č. Množstvo najm. PJ
Upínací pás A2K, černá Upínací pás A2K, černá SBR 8 A2K 6490192
40 m
Upínací pás FSK, kamenná šeď Upínací pás FSK, kamenná šeď SBR 15 FSK 6490280
25 m
Na stiahnutie

List technických údajov SLZ 150 FT / 7098133 , 0.25MB , pdf
Na stiahnutie

Na stiahnutie

Na stiahnutie

SLZ 150 FT / 7098133
Na stiahnutie