Kabelový žebřík LG 110, 3 m VS FT

Výr. č. 6216435 | EAN 4012195065272

3000 mm
1,5 mm
nie
Oceľ
žiarovo zinkované ponorením
Popis produktu
Popis produktu
Kabelový žebřík s výškou bočnice 110 mm a s přinýtovaným nahoru otevřeným profilem C příčky.
Magnetický útlum stínění bez víka 10 dB, s víkem 15 dB.

Kabelový žebřík je dodáván složený.

Vhodnou třmenovou příchytku typu 2056 najdete v části Systémy stoupacích žebříků.

  • Magnetický útlum stínění
  • Communautés Européennes, Vyhlásenie ES o zhode podľa smerníc ES
  • Prohlášení o shodě UKCA
  • Káblový rebrík, bočná výška 110 mm
  • Environmentální prohlášení o produktu (EPD)
  • Uhlíková stopa (PCF)
Technické údaje

Technické údaje

Bočné dierovanaie áno
CO2 stopa (GWP) od kolísky po bránu 11,0062 kg CO2e / 1 meter
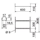
Dĺžka 3000 mm
Farba pozinkováno
Hrúbka bočnice 1,5 mm
Materiál Oceľ
Nehrdzavejúca oceľ, morená nie
Odstup priečok 300 mm
Povrch žiarovo zinkované ponorením
Rozmer 110x600x3000
Rozmer 110x600x3000
Rozmer B 600 mm
Rozmer štrbiny priečky 16,50
Šírka 600 mm
Upevnenie priečky nitované slepými nitmi
Úžitkový prierez 56800 mm²
Úžitkový prierez 568 cm²
Vyhotovenie bočnice plochý profil
Vyhotovenie priečok Profil dierovaný
Vyhotovenie s veľkým rozpätím nie
Výška 110 mm
Vzdialenosť podpier 2,0 m 3,1 kN/m
Vzdialenosť podpier 2,5 m 2 kN/m
Vzdialenosť podpier 3,0 m 1,4 kN/m
Vzdialenosť podpier 3,5 m 0,9 kN/m
Vzdialenosť podpier 4,0 m 0,65 kN/m
Vzdialenosť podpier 4,5 m 0,55 kN/m
Vzdialenosť podpier 5,0 m 0,5 kN/m
Vzdialenosť podpier 6,0 m 0,15 kN/m
Zachovanie funkčnosti nie

Technické údaje

Záťažový diagram káblového rebríka typu LG 110 VS

Záťažový diagram káblového rebríka typu LG 110 VS
  • Prípustné zaťaženie káblových žľabov/rebríkov v kN/m bez zaťaženia pracovnou silou Prípustné zaťaženie káblových žľabov/rebríkov v kN/m bez zaťaženia pracovnou silou
  • Vzdialenosť podpier v m Vzdialenosť podpier v m
  • Prehyb priečnika v mm pri prípustnom kN/m Prehyb priečnika v mm pri prípustnom kN/m
  • Schéma zaťaženia pri skúšobnej metóde Schéma zaťaženia pri skúšobnej metóde
  • Krivka zaťaženia so šírkou káblového žľabu/rebríka v mm Krivka zaťaženia so šírkou káblového žľabu/rebríka v mm
  • Krivka prehybu priečnika podľa vzdialenosti podpier Krivka prehybu priečnika podľa vzdialenosti podpier
Všetky typy

Všetky typy

Typ Dĺžka Šírka Hrúbka bočnice Zachovanie funkčnosti Materiál Povrch Výr. č. Množstvo najm. PJ
LG 112 VS 3 FT 3000 mm 200 mm 1,5 mm nie Oceľ žiarovo zinkované ponorením 6216423
3 m
LG 113 VS 3 FT 3000 mm 300 mm 1,5 mm nie Oceľ žiarovo zinkované ponorením 6216426
3 m
LG 114 VS 3 FT 3000 mm 400 mm 1,5 mm nie Oceľ žiarovo zinkované ponorením 6216429
3 m
LG 115 VS 3 FT 3000 mm 500 mm 1,5 mm nie Oceľ žiarovo zinkované ponorením 6216432
3 m
LG 116 VS 3 FT 3000 mm 600 mm 1,5 mm nie Oceľ žiarovo zinkované ponorením 6216435
3 m
Príslušenstvo

Systémové príslušenstvo

Výrobky Typ Výr. č. Množstvo najm. PJ
Veko s otočnou západkou FT Veko s otočnou západkou FT DRL 600 FT 6051472
3 m
Podélná spojka FT Podélná spojka FT LVG 110 FT 6216548
10 Kus
Kloubová spojka FT Kloubová spojka FT LGVG 110 FT 6216653
10 Kus
Multifunkční spojka FT Multifunkční spojka FT LMFV 1160 FT 6225780
1 Kus
90° oblouk 110 FT 90° oblouk 110 FT LB 90 1160 R3 FT 6225152
1 Kus
Díl T 110 FT Díl T 110 FT LT 1160 R3 FT 6225320
1 Kus
Vestavný odbočný díl 110 FT Vestavný odbočný díl 110 FT LAA 1160 R3 FT 6225940
1 Kus
Prvek s kloubovým obloukem 110 FT Prvek s kloubovým obloukem 110 FT LGBE 1160 FT 6225520
1 Kus
Ochranný kryt Ochranný kryt SKH 110 OR 6222553
20 Pár
Úhelník Úhelník LAW FT 6221513
10 Kus
Příchytka FT Příchytka FT LAS 110 FT 6221424
10 Kus
Deliaca stena 85 DD Deliaca stena 85 DD TSG 85 DD 6062331
3 m
Rohový plech DD Rohový plech DD LEB 25 DD 6221216
1 Kus
Rohový plech DD Rohový plech DD LEB 50 DD 6221259
1 Kus
Odbočný plech FT Odbočný plech FT LAB 60 FT 6220479
1 Kus
Vkládací plech DD Vkládací plech DD ELB-L 60 DD 6103368
3 m
Na stiahnutie

Na stiahnutie

Na stiahnutie
Vyhlásenie o zhode Spojeného kráľovstva LG 116 VS 3 FT / 6216435 , 0.09MB , pdf
Environmentálna deklarácia produktu (EPD) LG 116 VS 3 FT / 6216435 , 1.48MB , pdf
Na stiahnutie

Na stiahnutie
Na stiahnutie

LG 116 VS 3 FT / 6216435
Na stiahnutie